市场
空气冷却器和祖先包装是一种模块化组件,旨在与TG-C18和TG-C12压缩机结合使用,并供应凉爽的空气以排放对高温敏感的产品(例如糖和塑料)。
规格
一般设计
空气冷却器本身包括冷却风扇,散热器和冷却管道。这是组装/位于GRP机箱内部的模块内,还包含进气滤网,过滤器阻塞指示器,浮雕阀,反应性放电消音器和止回阀。
在压缩机的整个放电范围内,电动冷却风扇(24V DC)提供了连续的高冷却速率。
冷却性能
影响优选冷却速率的因素有许多不同的因素,但是在2个bar g时的很高温度升高不应超过风扇和进气温度,整个THETG-C18和TG-C12运行范围
安装
通用的机器/冷却器安装托架可以使空气冷却器平行安装,但还包括更改压缩机的驱动轴角以匹配PTO的驱动轴角。
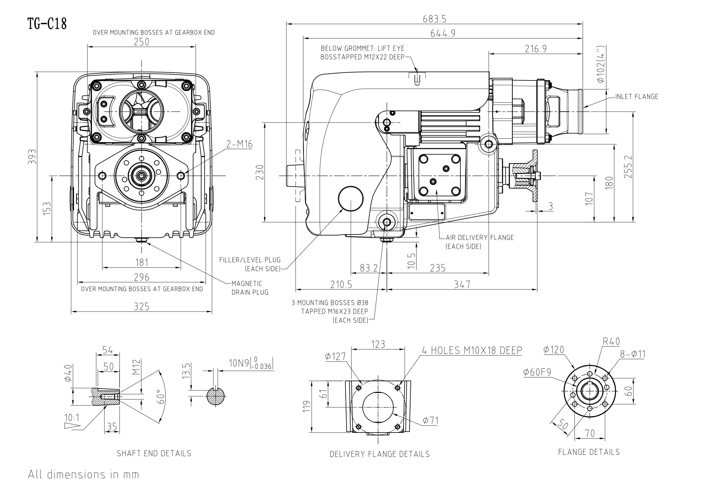
模型 |
TG-C18 |
压力 |
2.5bar |
空气输出 |
500-1080m⊃3;/h |
出口直径 |
DN65 |
重量 |
130公斤 |
输入速度范围 |
1000-1800rpm |
尺寸 |
68.4*32.6*39.3cm |
在大多数车辆上安装在机箱内部,以使低成本的直接PTO驾驶 |
|
范围
| 压力 | 0.15(MPA) | 0.2(MPA) | 0.25(MPA) | 0.3(MPA) |
| 速度(R/S) | 980 | 980 | 980 | 980 |
| 体积流(M⊃3;/min) | 9 | 9 | 9 | 9 |
| 单位输入功率(kW) | 28.36 | 33.35 | 39 | 45.1 |
| 特定功率 | 3.15 | 3.7 | 4.33 | 5 |
| 轴功率 | 25.6 | 30.25 | 35.5 | 41.2 |
| 速度(R/S) | 1200 | 1200 | 1200 | 1200 |
| 体积流(M⊃3;/min) | 12 | 12 | 11.9 | 11.8 |
| 单位输入功率(kW) | 36 | 43.8 | 49.98 | 56.64 |
| 特定功率 |
3 | 3.65 | 4.2 | 4.8 |
| 轴功率 | 33 | 40.16 | 45.83 | 51.93 |
| 速度(R/S) | 1480 | 1480 | 1480 | 1480 |
| 体积流(M⊃3;/min) | 15 | 14.9 | 14.8 | 14.7 |
| 单位输入功率(kW) | 45.31 | 53.37 | 61.02 | 69.56 |
| 特定功率 | 3.02 | 3.58 | 4.12 | 4.7 |
| 轴功率 | 41.36 | 48.85 | 55.96 | 63.89 |
| 速度(R/S) | 1800 | 1800 | 1800 | 1800 |
| 体积流(M⊃3;/min) | 18.2 | 18.1 | 18 | 17.9 |
| 单位输入功率(kW) | 56.47 | 65.18 | 73.93 | 83.2 |
| 特定功率 | 3.1 | 3.6 | 4.1 | 4.65 |
| 轴功率 | 51.73 | 59.82 | 67.95 | 76.57 |

易于安装
较好的课。
使用双输入驱动器旋转,多出口端口位置,直接PTO输入驱动速度范围和纤细的轮廓,该机器的设计旨在安装在机箱内。
专门设计的辅助设备,包括安装托架,吸收性或反应性消音器以及分别提供的冷却器/入口滤光片模块,或者在几个现成的包装中提供了易于安装的易于安装。
强大的设计
较好的课。
TG系列专门为卡车市场设计,并利用了用于油箱卡车的制造设备的8年经验,在所有条件下都提供了卡车运营所需的鲁棒性。
低排放温度
较好的课。
5-3转子配置和移植的特殊设计可实现高效率,使机器具有任何可比卡车安装的压缩机的很低出口温度。空气排放冷却器的必要性大大减少。
物有所值
较好的课。
根据设计,TG机器是市场上很有效的,这是由气流和产生的压力所需的低功率所承受的。这些立方米的立方米是市场上很低的运营成本机。这些机器不需要额外的动力辅助工具,例如加速,油冷却器或其他隐藏费用。
可靠性
空前的设计和测试制度(PAS)提供了可靠的可靠性。
轻的
较好的课。
利用很先进的3D建模设计和分析设备以及现代材料的状态TG系列是每立方米的空气的体重较好的范围。
灵活性
在班级流量范围内较好,在班级压力范围内较好。
这些机器将在给定范围内的任何压力和流动下连续运行,允许所有常见的粉末,颗粒,颗粒和饲料以优选速率排出。
软件包
TG机器有多个软件包可用,可适应不同的市场,车辆和远程冷却器,反应性或吸收性消音器。